Магазин запчастей для бытовой техники - Arlos
Москва
close
Выберите ваш регион
АбаканАлександровАльметьевскАнгарскАрзамасАрмавирАртемАрхангельскАстраханьАчинскБалаковоБалашихаБеларусьБелгородБердскБерезникиБийскБлаговещенскБратскБрянскВеликий НовгородВидноеВладивостокВладикавказВладимирВолгоградВолгодонскВолжскийВологдаВолховВоркутаВоронежВоскресенскВыборгГатчинаГеленджикГрозныйДедовскДербентДзержинскДзержинскийДимитровградДмитровДолгопрудныйДомодедовоДонецкЕвпаторияЕгорьевскЕкатеринбургЕлецЕссентукиЖелезногорскЖелезнодорожныйЖуковскийЗеленоградЗлатоустИвановоИвантеевкаИжевскИркутскИстраЙошкар-ОлаКазаньКалининградКалугаКаменск-УральскийКамышинКаспийскКемеровоКерчьКировКисловодскКлинКовровКоломнаКомсомольск-на-АмуреКопейскКоролёвКостромаКотельникиКрасногорскКраснодарКраснознаменскКрасноярскКурганКурскКызылЛенинск-КузнецкийЛипецкЛобняЛыткариноЛюберцыМагнитогорскМайкопМалаховкаМахачкалаМиассМоскваМурманскМуромМытищиНабережные ЧелныНазраньНальчикНаро-ФоминскНахабиноНаходкаНевинномысскНефтекамскНефтеюганскНижневартовскНижнекамскНижний НовгородНижний ТагилНовокузнецкНовокуйбышевскНовомосковскНовороссийскНовосибирскНовоуральскНовочебоксарскНовочеркасскНовошахтинскНовый УренгойНогинскНорильскНоябрьскОбнинскОдинцовоОктябрьскийОмскОрелОренбургОрехово-ЗуевоОрскПавловский ПосадПензаПервоуральскПермьПетрозаводскПетропавловск-КамчатскийПодольскПрокопьевскПсковПушкиноПятигорскРаменскоеРеутовРостов-на-ДонуРубцовскРыбинскРязаньСакиСалаватСамараСанкт-ПетербургСаранскСаратовСевастопольСеверодвинскСеверскСергиев ПосадСерпуховСимферопольСмоленскСосновый БорСочиСтавропольСтарый ОсколСтерлитамакСтупиноСургутСызраньСыктывкарТаганрогТамбовТверьТихвинТольяттиТомилиноТомскТроицкТулаТюменьУлан-УдэУльяновскУссурийскУсть-ИлимскУфаУхтаФеодосияФрязиноХабаровскХанты-МансийскХасавюртХимкиЧебоксарыЧелябинскЧереповецЧеркесскЧеховЧитаШахтыЩелковоЭлектростальЭлистаЭнгельсЮжно-СахалинскЯкутскЯлтаЯрославль
  • - бесплатно по РФ
    Автоперезвон. Работает по принципу: Вы позвонили на номер, мы сбрасываем звонок и перезваниваем через 3 секунды.
  • - по Москве
  • 8 (925) 663-83-63

Call-центр

пн-вс: 10:00-19:00

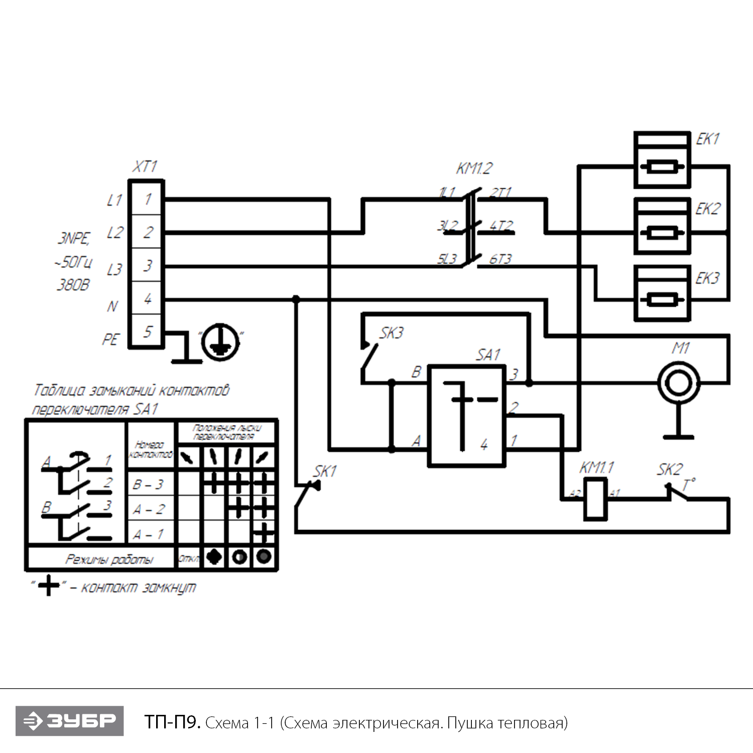
Тепловая пушка, ТП-П ТП-П9

Данная модель имеет несколько схем

NАртикулНазваниеСрок отгрузкиЦенаКупить
1 N000-029-525 Короб
2 N000-029-526 Экран
3 N000-029-527 Кожух
7 V000-001-043 Двигатель YJF 10-00 40W V000-001-043 для тепловых пушек ТП-П ТП-П9,ЗТП-9 3.308 р.
10 N000-029-528 Планка двигателя
11 N000-029-529 Крышка
12 N000-029-530 Опора передняя
13 N000-029-531 Опора задняя
14 N000-029-532 Гребенка
15 N000-029-533 Скоба
31 N000-029-534 Крыльчатка D230 151 р.
32 N000-029-583-2 Термостат KSD301-110-95 нормально замкнутый с кнопкой сброса 169 р.
32 N000-029-583 Термостат КSD-301 250В 10А 110°C с кнопкой сброса НЗ 190 р.
33 N000-014-907 Термостат ТК-24-00-1 250В 16А 110град нормально замкнутый 170 р.
33 N000-019-676 Термостат 50°С нормально разомкнутый (код 33041/D) 208 р.
34 V000-006-946 Термостат капиллярный FY-AC-TC-40 2.400 р.
35 V000-003-470 Переключатель роторный FY-SR-KX-2 16А (5 контактов) 398 р.
36 N000-029-559-2 Контактор CJX2 ADL08-008 3P+NO 220В 25А
39 N000-029-541 Ручка переключателя 237 р.
40 N000-024-267 Ручка 180 р.
42 N000-029-542 Саморез 3.5х9.5
43 N000-018-626 Винт M4x10
44 N000-022-354 Винт M4x25
45 N000-029-543 Гайка-заклепка М4
46 N000-022-572 Винт M4x16
47 N000-027-457 Гайка М4
48 N000-027-453 Шайба D4
49 N000-027-482 Шайба пружинная D4
50 N000-029-544 Решетка
51 N000-029-545 Хомут-стяжка 2,5-3 L-100мм
52 N000-018-712 Винт M4x8
53 V000-004-107 ТЭН 240В 10/2.9 Т220 2.855 р.
54 N000-029-546 Втулка резиновая кабельная
Найдено товаров: 33
1
▲ Наверх
0
8 (925) 663-83-63

Call-центр

пн-вс: 10:00-19:00

НАЙТИ ПО МОДЕЛИ
Введите номер заказа
Введите номер своего заказа, что бы узнать его текущий статус.
Что бы получить доступ к расширенным функциям, пройдите не сложную регистрацию. Зарегистрироваться